
| R/Cメカ用パルス幅測定器の改良 |
以前作った「R/Cメカ用パルス幅測定器」を改良しました。 改良と言っても、セグメントLEDを明るくて見やすいタイプに変えただけですが(笑) セグメントLEDを秋月電子通商さんで見つけた、C−551SRというタイプに変更しました。 一個60円〜100円と値段も安く(近所のパーツやで売ってたやつの1/5だ!)、明るく見やすいです。 このパルス幅測定器は、大変重宝しています! 作成したプログラム通りにサーボやアンプに信号が行ってるかどうかを確認するには欠かせないアイテムになってしまいました。(笑) それに、プログラムを変更すれば、パルス幅以外にパルスとパルスの間隔を測定したり、今後は、モーター(ギア)の回転数や回転速度もはかりたい!! | |
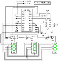
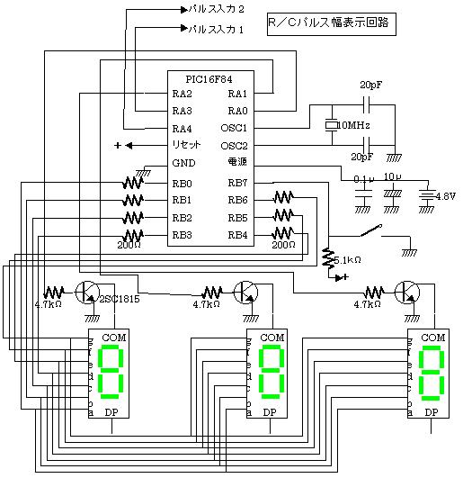
| 回路図 |
![]() 前回と同じなので、同じ回路図です。 | |
| プログラム |
プログラム→palus_v2.asm 前作のプログラムを一部修正しています。 | |
| プリント基板の製作 |
セグメントLEDが変更になったので、基板のパターンも大幅に変更になりました。![]() 版下(プリント基板エディタのファイル)→kibana4.pcb | |
| 完成品 |
![]() ![]() | |
| 販売 |
この「パルス幅測定器」を使いたい...という人なら、上の回路図・基板パタンデータ・プログラムがあれば、十分自作可能だと思いますが(笑) 販売に関しては、販売用のサイトを立ち上げましたので、其方をご利用ください。 http://6815.teacup.com/hinoki/shop 但し、暇な時間に製作するので、納期はかかると思ってください。 「パルス幅測定器」に関しては、プリント基板とをパーツセットにした組み立てキットも用意しようと思います(これも要望があったので) ただし、裏面のハンダ付けは、パターンが込合っている箇所が多いので、慎重にしないと失敗します。(笑) | |
更新日2005.7.1