
| 新テスト基板の製作 |
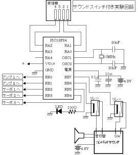
PICの基板を改良して、コンバットサウンドをON・OFFするリレースイッチ付きにしました。![]() これまで空いていた、PICのRB6とRB7の足に、コンバットサウンドのスイッチ用のリレーと、機銃音と大砲音を切りかえるリレースイッチを直接取り付けます。 RB4の足には、5ch目の出力用にコネクタを取り付け、砲身ブローバック(リコイル)用のサーボを制御します。 余った、RB5の足には、機銃音と同時に発光するLEDを取りつけました。 これで、アンブ2個・サーボ3個・スイッチ2個・LED1個をPICで制御できますが、さすがにここまで欲張ると、PICの足(出力ポート)は全て使い果してしまいました...(^^;; (一応、5ch受信機用に残しておいた、RA4は空いてはいるが...) |
| 実際の基板です |
![]() ![]() 今回苦労したのが、PICで直接制御できる小型のリレーを探す事で、もちろんリレーの規格等は全然解らないので(笑)パーツ屋から小型のリレーをかたっぱしに買い込み、1個ずつテストしました....(^^;;; 結局、私が買った小型のリレーは、ほとんど×で、唯一「MATSUSHITA DA1a」と言うリレーが動作しました。 ちなみに、基板には動作しなかった余計なリレーもくっ付いていますが、テスト用に半田付けしたら、取れなくなってしまった物です.....(^^;;; さらに、今回受信機とコネクタで配線するのが面倒だったので、なんと、受信機を基板に直接半田付けしてます..(^^ゞ (よい子のモデラーは決して真似してはいけません!) |
| プログラミング開始! |
<リレーのオン・オフ>
単にリレーを2個オン・オフしてるだけなので、プログラムは単純です。 |
| 3ch仕様のプログラムに組み込み |
前回製作した、3chプログラム(砲身上下・砲塔旋回付き)に組み込んで見ました。 ただ組み込んでも面白くないので、機関銃音と同時に、LEDも点滅する様にしました。 実際に作ったプログラムはこれ→「savo6b.asm」 |
更新日2000.9.01